2024年四川省成都市溫江區中考物理適應性試卷
發布:2025/11/13 12:0:20
一、單項選擇題(每小題2分,共26分)
-
1.“珍愛生命,安全用電”是同學們日常生活中必須具備的安全意識,電冰箱、洗衣機等家用電器均采用三線插頭將金屬外殼接地,這樣做的目的是( )
組卷:534引用:10難度:0.5解析 -
2.與圖中情景相關的說法中錯誤的是( )
組卷:77引用:3難度:0.8解析 -
3.用雞蛋碰石頭,雞蛋破了( )
組卷:43引用:1難度:0.9解析 -
4.如圖所示電路,閉合開關S1、S2,小燈泡L1和L2均正常發光,兩電流表都有示數,下列判斷正確的是( )
?組卷:16引用:1難度:0.6解析 -
5.關于橋墩在河水中所受浮力的情況,下列說法中正確的是( )
組卷:212引用:8難度:0.6解析 -
6.在測量滑輪組機械效率的活動中,裝置如圖所示,欲使所測機械效率提高,下列措施可行的是( )組卷:1020引用:17難度:0.5解析 -
7.如圖所示,若想在位于凸透鏡右邊的光屏上(圖中光屏未畫出)得到一個燭焰清晰縮小的像,那么點燃的蠟燭應置于圖中的( )組卷:145引用:4難度:0.8解析 -
8.蕩秋千的人從最高點向最低點擺的過程中,速度變大,則他的( )
組卷:1106引用:59難度:0.9解析 -
9.下列關于電磁波的說法正確的是( )
組卷:407引用:40難度:0.9解析 -
10.已知汽油的熱值為4.6×107J/kg,1kg的汽油燃燒一半后,剩下汽油的熱值為( )
組卷:349引用:2難度:0.8解析 -
11.“一盔一帶”安全守護行動對于摩托車駕駛人來說,頭盔就是“救命盔”。天氣變冷后,媽媽騎電動時頭盔面罩會起霧變模糊影響視線,于是小麗查閱資料將洗潔精涂抹到頭盔面罩上解決了這一問題。關于面罩起霧下列說法正確的是( )
組卷:58引用:1難度:0.6解析 -
12.下列選項中,正常工作時功率約為1kW的是( )
組卷:3引用:1難度:0.8解析 -
13.2021年5月29日,長征七號火箭搭載天舟二號貨運飛船成功發射,中國空間站在軌建造取得進一步成就,下列說法正確的是( )
組卷:19引用:1難度:0.7解析
二、填空題(每空2分,共28分)
-
14.某同學穿的運動鞋,鞋底有凹凸不平的花紋,是為了增大鞋底與地面間的,若該同學的質量是48kg,站立時雙腳鞋底與地面的接觸面積為300cm2,則該同學對地面的壓強為Pa。
組卷:173引用:47難度:0.7解析 -
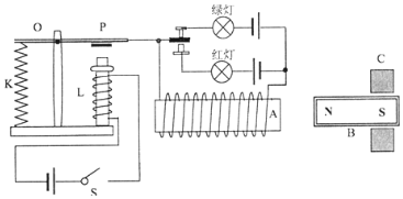
15.如圖所示,小明同學在自己房門安裝一個電子鎖,圖中S是指紋開關,電磁繼電器K是輕質彈簧,L是電磁鐵,B是帶有固定磁極的鎖,當鎖的磁極S端插入鎖孔C中時,門處于鎖定狀態。當開關閉合時,電磁鐵A與鎖固定磁極的N極產生相互 (選填“吸引”或“排斥”)的力,門鎖處于 (選填“開鎖”或“鎖定”)狀態。
組卷:19引用:1難度:0.7解析 -
16.如圖把一根飲料吸管A插在盛水的杯子中,另一根吸管B的管口貼靠在A管的上端,用力吹氣,可以看到A管中的水會向上冒出管口,這是因為B管與A管相接處空氣流速 ,壓強 ,杯中的水在外界 的作用下沿A管上升。組卷:38引用:1難度:0.8解析 -
17.如圖所示是兩擋電飯鍋內部加熱部分的簡化電路圖,R1、R2均為發熱電阻,將開關S分別置于1、2兩位置時,電飯鍋處于不同擋位。已知高溫擋功率為1000W,R2的阻值為110Ω。當開關S置于2位置時,電飯鍋處于 擋(選填“高溫”或“低溫”),該擋位正常工作10min產生的熱量是 J。組卷:179引用:2難度:0.6解析 -
18.每年6月6日是全國愛眼日。如果不愛護眼睛容易患上近視眼,矯正近視眼應佩戴透鏡(填“凸”或“凹”)。視力正常的眼睛,遠近景物都能在視網膜上成倒立、縮小的像(填“實”或“虛”)。
組卷:409引用:16難度:0.7解析 -
19.用打氣筒給自行車車胎打氣,過一會兒,氣筒壁會熱起來,這是用 方法改變物體的內能。
組卷:32引用:3難度:0.8解析 -
20.隨著生活水平的提高,汽車已經進入百姓家庭,它給我們的生活提供了便利,促進了社會的發展。汽車應用了許多物理知識,請你解答:
(1)汽油機是汽車的“心臟”,其中 沖程將機械能轉化為內能;
(2)某汽油機的飛輪轉速為3000r/min,則該汽油機1s內對外做功 次;
(3)汽車發動機在工作時,發動機的溫度會升得很高,通常在發動機外裝有水套,汽車發動機用水作為冷卻劑的主要原因是 ;
(4)如圖是一種自動測定汽車油箱內油面高度的裝置。R0為定值電阻,R是滑動變阻器,它的金屬滑片連在杠桿的一端,O為杠桿的支點。從油量表(由電流表改裝)指針所指的刻度就可知道油箱內油面高低。當油面升高時,電流表的示數將變 (選填“大”、“小”)。若換用電壓表改裝成油量表,要求油面下降時電壓表示數變小,電壓表應并聯在圖中 元件兩端(選填“R”或“R0”)。組卷:46引用:1難度:0.5解析
三、作圖與計算題(共17分。計算題在解答時應寫出公式和重要的演算步。只寫出最后答案的不能得分)
-
21.平靜水面上的小鳥(A點)和水中的小魚(B點),某時刻的實際位置如圖所示,水面一側C點的人恰好看到它們在水中的像重合,請畫出小鳥在水中像的位置A′以及人看到小魚的光路圖。組卷:252引用:5難度:0.5解析 -
22.在圖中,O為支點,畫出動力F的力臂l。組卷:27引用:6難度:0.5解析 -
23.如圖所示,彈簧測力計掛著一個質量為1.2kg、高為10cm的正方體物塊豎直浸沒在水中靜止,物塊上表面受到水的壓力為5N,下表面受到水的壓力為15N。求:
(1)該物塊受到的浮力。
(2)彈簧測力計的示數。
(3)物塊的密度。組卷:70引用:1難度:0.6解析 -
24.如圖所示,電源電壓不變,定值電阻R0=10Ω,滑動變阻器R的最大阻值為20Ω。燈泡L上標有“3V,0.6W”的字樣(不考慮溫度對燈泡電阻的影響),電流表的量程為0~0.6A,只閉合開關S、S1,并把R的滑片移到最右端,電流表的示數為0.2A。求:
(1)小燈泡的電阻;
(2)電源電壓;
(3)在保證電路安全的情況下,當開關S、S1、S2都閉合時,電路中消耗的最大功率。組卷:147引用:2難度:0.4解析
四、實驗與探究題(共14分)
-
25.如圖所示,小明在探究“串聯電路的電壓規律”時,設計了如甲所示的電路,并連接了如圖乙所示的實物圖(已知電源電壓恒為6V)。

(1)圖乙的實驗電路連接中有一處錯誤導致實驗無法進行,請你找到圖乙中錯誤的連線用“×”標注出來,并用筆畫線代替導線正確連接電路。
(2)小明將S閉合后,發現只有電壓表V2有示數,則R1不可能 (選填“斷路”或“短路”)。為進一步確定故障原因,他用一根導線接在R2兩端,電壓表V1有示數,電壓表V2無示數,則可以確定電路中的故障是 。
(3)排除故障后,小明為了獲得更多信息,又把電流表串聯在電路中繼續實驗,根據測得的實驗數據,繪制了電壓表V1和V2的U-I圖象,如圖丙所示:
①圖丙中與電壓表V1對應的線是 (選填“甲”或“乙”)。
②分析圖丙中的圖象,得出串聯電路的電壓規律是:。
③電路的功率為1.2W時,R1與R2的電阻之比為 。
【拓展】根據上述實驗中得到的規律,小明重新設計了如圖丁所示的電路,利用電壓表和已知阻值為R0的定值電阻,來測量電源電壓未知條件下電阻,Rx的阻值。閉合開關S、S1,斷開S2時,電壓表的示數為U1;閉合開關S、S2、斷開開關S1時,電壓表的示數為U2。則Rx=。組卷:49引用:1難度:0.5解析 -
26.在“探究并聯電路的電壓規律”實驗中,小明使用了兩個規格相同的燈泡。
(1)如圖甲所示,小明已經完成部分實驗電路連接,閉合開關,出現的現象是:燈泡L1、L2發光情況是。
(2)如圖乙所示電路,將電壓表的正負接線柱接a、b兩點,閉合開關后,電壓表的示數如圖丙所示,則電壓表示數為V。
(3)依次將電壓表改接到c、d兩點和e、f兩點,發現電壓表示數與(2)電壓表示數相同。由此他得出結論:
在并聯電路中,各支路兩端的電壓相等,為了結論更科學,接下來應該進行的操作是。
A.更換不同規格的燈泡,多次實驗;
B.將L1、L2的位置交換,再次進行實驗;
C.保持電源、燈泡不變,多次實驗;
組卷:180引用:3難度:0.5解析
一、不定項選擇題(每題2分,共10分。有的小題只有一個選項符合題目要求,有的小題有二個選項符合題目要求,全部選對的得2分,選對但不全的得1分,有選錯或者不答的得0分)
-
27.如圖所示的幾種與電和磁有關的器件,工作時應用了電磁感應原理的是( )
組卷:82引用:35難度:0.7解析 -
28.如圖是某種晶體熔化時溫度隨時間變化的圖象。由圖可知晶體的熔點是( )組卷:212引用:13難度:0.9解析 -
29.某同學自制一氣壓計,裝置完好,如圖,當該同學從某山腳到達山頂時,玻璃管內的液面將( )組卷:513引用:3難度:0.7解析 -
30.現有兩燈L1和L2,它們的電阻分別用R1和R2表示,兩端的電壓分別用U1和U2表示,通過的電流強度分別用I1和I2表示。若R1>R2,則下列各關系式有可能成立的有( )
組卷:173引用:2難度:0.5解析 -
31.小紅在“探究凸透鏡成像規律”的實驗中,將燭焰放在透鏡二倍焦距以外的位置時,能在光屏上看到清晰的像,則下列說法中正確的是( )
組卷:62引用:2難度:0.5解析
二、綜合題(共10分。第7題在解答時應寫出公式和重要的演算步驟,只寫出最后答案的不能得分)
-
32.小明想知道某均質圓柱體的密度,于是他用天平和量筒等器材做了如下實驗:

(1)將天平放在水平臺上,把游碼放到標尺左端零刻度線處,發現指針偏向分度盤的右側,要使橫梁平衡,應將平衡螺母向(選填“左”或“右”)調;
(2)用天平測量圓柱體的質量,當天平平衡時,放在右盤中的砝碼和游碼的位置如圖甲所示,則圓柱體的質量為g;
(3)如圖乙、丙和丁所示,用量筒并采用“壓入法”(用一根細而長的鐵絲將物體壓入水中)測圓柱體的體積,則圓柱體體積V為cm3;
(4)根據測量結果可知圓柱體的密度ρ為kg/m3;
(5)細心的小明觀察發現把圓柱體放在另一種已知密度為ρ0的液體中也能漂浮在液面上,則圓柱體露出液面的體積的表達式為:V露=(請用ρ0、ρ、V等符號表示)組卷:466引用:5難度:0.5解析 -
33.如圖所示為國內某廠商生產的名為“秦”高性能混合動力車。充滿電后,能以60千米/小時的速度以純電動模式勻速直線連續行駛60千米。若該車總質量為1.5噸,勻速直線行駛時受到的阻力為車重的10%。
求:(1)在此過程中,汽車牽引力所做的功;
(2)牽引力的功率。組卷:77引用:2難度:0.5解析

